A6262£ºÆû³µLEDÕóÁÐÇý¶¯·½°¸2010-12-17
Allegro¹«Ë¾µÄA6262ÊÇÆû³µLEDÕóÁÐÇý¶¯Æ÷£¬ÊÇÏßÐԿɱà³ÌµçÁ÷ÎÈѹÆ÷£¬ËĸöÊä³öÖÐÿһ¸ö¶¼ÄÜÌṩ100mAµÄµçÁ÷£¬Ã¿¸öÊä³öµçÁ÷¾«¶È´ï5%£¬Ã¿´®µçÁ÷Æ¥ÅäÓÅÓÚ10%£¬6-50V¹¤×÷µçÔ´£¬¿ÉÇý¶¯¸ßÁÁLED£¨HB LED£©ÕóÁУ¬¹¤×÷ζȨC40¡......
SX1230£ºISMƵ¶ÎÎÞÔ¿³×½øÈë½â¾ö·½°¸2010-11-17
Semtech¹«Ë¾µÄSX1230ÊÇÕ´ø/¿í´ø315 MHz, 434 MHz 868 MHzºÍ915 MHz ISMƵ¶Î·¢ËÍÆ÷£¬Ö÷ÒªÓÃÔÚÎÞÔ¿³×½øÈ루RKE£©ÏµÍ³£¬Ò£¿ØºÍ°²È«ÏµÍ³£¬ÓïÒôºÍÊý¾ÝͨÐÅÁ´½Ó£¬Éú²ú¹ý³ÌºÍ½¨ÖþÎï/¼ÒÍ¥¿ØÖÆ£¬ÓÐÔ´RFID£¬AMR/AMIƽ̨¡£²Î¿¼......
ÏȽøÆû³µÒDZí°å¼°³µÉí¿ØÖÆÉè¼ÆÒªÁì2010-07-02
½ñÈյįû³µÒÑÂõÏòÖÇÄÜ»¯Óë»·±£»¯µÄÉè¼ÆÊ±´ú£¬ÔÚÖÇÄÜ·½ÃæÍ¸¹ýÊý×Öµç×Ó¼¼ÊõÀ´ÌáÉýÆû³µµÄ°²È«ÐÔÓëÊæÊÊÐÔ£¬²¢»·±£·½ÃæÍ¸¹ýÓ͵ç»ìºÏ¼°µç¶¯³µµÈÉè¼ÆÀ´´ïµ½½ÚÄÜʡ̼µÄÄ¿±ê¡£......
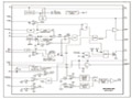
MAX16834£º´ó¹¦ÂʸßÁÁHB LEDÇý¶¯·½°¸2010-05-13
Maxim¹«Ë¾µÄMAX16834ÊǵçÁ÷ģʽ¸ßÁÁ¶ÈLED(HB LED)Çý¶¯Æ÷£¬¿ÉÓÃÓÚÉýѹ¡¢Éýѹ-½µÑ¹¡¢SEPICºÍ¸ß±ß½µÑ¹ÍØÆË¡£ÀûÓÿª¹Ø¿ØÖÆÆ÷£¬³ýÁË¿ÉÒÔÇý¶¯ÓÉ¿ª¹Ø¿ØÖÆÆ÷¿ØÖƵÄN¹µµÀ¹¦ÂÊMOSFET¿ª¹ØÍâ,»¹ÄÜÇý¶¯N¹µPWMµ÷¹â¿ª¹ØÀ´ÊµÏÖLED PW......
- µ±Ç°£¬Æû³µÐÐÒµÕýÒÔǰËùδÓеÄËÙ¶ÈÏòÖÇÄÜ»¯¡¢ÍøÁª»¯Âõ½ø¡£ÆäÖУ¬ÎÞÔ¿³×ϵͳ£¨PEPS£©×÷ΪһÖÖÐÂÐ˵ŦÄÜ£¬ÕýÖð½¥³ÉΪµ±´úÆû³µµÄ±ê×¼ÅäÖá£PEPSϵͳͨ³£ÓÉ¿ØÖÆÆ÷¡¢É䯵£¨RF£©·¢ÉäÆ÷ºÍ½ÓÊÕÆ÷µÈÄ£¿é×é³É¡£µ±Ô¿³×ÔÚÓÐЧ·¶......

[Ô´´]ST STM32WB5MMG£« STM32WL55JC×ʲú¸ú×ٲο¼Éè¼Æ2022-08-24
ST¹«Ë¾µÄSTM32WB5MMGÊdz¬µÍ¹¦ºÄºÍСÐÍ2.4GHzÎÞÏßÄ£¿é,Ö§³ÖBluetooth® µÍ¹¦ºÄ5.0, Zigbee® 3.0ºÍOpenThread¶¯Ì¬ºÍ¾²Ì¬²¢ÐÐģʽÒÔ¼°802.15.4ÓÐËùÓÐȨµÄÐÒé.»ùÓÚST¹«Ë¾µÄSTM32WB55VGYÎÞÏß΢¿ØÖÆÆ÷,ÓÉÓÚÁ¼ºÃ½ÓÊÖ......
MolexĪÊËÆû³µÁ¬½ÓÆ÷½â¾ö·½°¸£ÐÂÄÜÔ´µç³Ø°ü£¨Battery Pack)2022-08-03
Ôڵ綯Æû³µµÄ·¢Õ¹¹ý³ÌÖУ¬Æä°²È«ÐÔ¡¢Ðøº½Àï³ÌÒÔ¼°³É±¾Ò»Ö±±¸ÊÜÏû·ÑÕߺÍÊг¡¹Ø×¢£¬Òò¶øÒ²³ÉΪ¸÷´ó³µÆó¼°ÅäÌ׳§É̳ÖÐøÓÅ»¯µÄÖØµã¡£µç³Ø°ü×÷Ϊµç¶¯Æû³µºËÐIJ¿¼þÖ®Ò»£¬ÄÒÀ¨ÁËÈýµçϵͳÖеÄ"µç³ØÏµÍ³"ÒÔ¼°Ò»²¿·Ö"µç¿ØÏµÍ³"......
[Ô´´]ST L99DZ200G³µÃÅÖ¶¯Æ÷Çý¶¯Æ÷ºÍµçÔ´¹ÜÀíÄ£¿é½â¾ö·½°¸2022-03-22
ST¹«Ë¾µÄL99DZ200GÊÇÆû³µÃÅÇøÏµÍ³¼¯³Éµç·,Ìṩµç×Ó¿ØÖÆÄ£¿éºÍÔöÇ¿¹¦ÂʹÜÀíµçÔ´¹¦ÄÜ,°üÀ¨¸÷ÖÖ´ý»úģʽ,ÒÔ¼°LINºÍHS CANÎïÀíͨÐŲã.Æ÷¼þµÄÁ½¸öµÍѹ½µµçѹÎÈѹÆ÷¸øÏµÍ³Î¢¿ØÖÆÆ÷ºÍÍⲿÍâÉè¸ºÔØÈç´«¸ÐÆ÷ºÍÌṩ¾ßÓпɱฺ......
- ´óÁª´óÚ¹¶¦¼¯ÍÅÍÆ³ö»ùÓÚSynaptics²úÆ·µÄÈ«Çòµ¼º½ÎÀÐÇϵͳ£¨GNSS£©Ð¾Æ¬·½°¸
- ´óÁª´óÊÀƽ¼¯ÍÅÍÆ³ö»ùÓÚonsemi²úÆ·µÄICÆÀ¹À°å·½°¸
- ¡¾Éî¶Èʵս¡¿Ã×¶ûRK3576¿ª·¢°åAMP·Ç¶Ô³Æ¶àºË¿ª·¢Ö¸ÄÏ£º´ÓÅäÖõ½ÊµÕ½
- ´óÁª´óÆ·¼Ñ¼¯ÍÅÍÆ³ö»ùÓÚInfineon²úÆ·µÄµç»ú¿ØÖÆÆ÷·½°¸
- ´óÁª´óÊÀƽ¼¯ÍÅÍÆ³ö»ùÓÚNXP²úÆ·µÄÆû³µ12Vµç³Ø¹ÜÀíϵͳӦÓ÷½°¸
- 360»·ÊÓʵʱÐÔÆÀ¹À£ºGPU¼ÓËÙÐÔÄÜÓëAIÍØÕ¹Ç±Á¦-»ùÓÚÃ×¶ûRK3576
- ´óÁª´óÓÑÉм¯ÍÅÍÆ³ö»ùÓÚonsemiºÍInfineon²úÆ·µÄµçÔ´ÊÊÅäÆ÷·½°¸
- HT517 I2SÊý×ÖÊäÈë3.1Wµ¥ÉùµÀµÍ¹¦ºÄDÀ๦·ÅоƬ½â¾ö·½°¸
